Ваш регион:
Logo

Mitsubishi DELICA Space Gear/Cargo/ L400 Дизель 4М40, 4D56 с 1994г ( 1/7)

  • Код товара:
  • 72705
  • Артикул:
  • 2705
  • Единица продажи:
  • 1 шт.
  • Кол-во в ящике:
  • 7 упаковок
О товаре
Описание товара

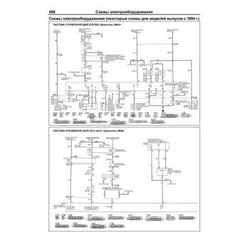
MITSUBISHI DELICA / SPACE GEAR / CARGO / L400. Модели 2WD&4WD 1994—2007 гг. выпуска с дизельными двигателями 4M40 (2,8 л) и 4D56 (2,5 л). Серия «Профессионал». Руководство по ремонту и техническому обслуживанию

Руководство по ремонту MITSUBISHI Delica / Space Gear / Cargo / L400 1994–2007 годов выпуска с правосторонним и левосторонним рулевым управлением, оборудованных дизельными двигателями 4M40 (2,8 л) и 4D56 (2,5 л). Издание содержит руководство по эксплуатации, подробные сведения по техническому обслуживанию автомобиля и диагностике, ремонту и регулировке систем двигателя (в т. ч. ТНВД, электронного управления (EFI-diesel), запуска, зарядки и турбонаддува), механических и автоматических коробок передач (МКПП и АКПП), переднего и заднего мостов (включая систему полного привода 4WD), подвески (в т. ч. системы управления режимами работы амортизаторов (ECS)), рулевого управления, элементов тормозной системы (включая антиблокировочную систему тормозов (ABS)), кузовных элементов, систем вентиляции и кондиционирования (AC), системы пассивной безопасности (SRS). Приведены инструкции по диагностике 6 электронных систем: управления двигателем, АКПП, ECS, ABS, АС и SRS. Описано 123 кода неисправностей Flash и возможные причины их возникновения. Приведены разъемы и процедуры проверки сигналов на выводах блоков управления различными системами — PinData. Представлены 135 подробных электросхем (40 систем) для различных вариантов комплектации автомобилей, описание проверок большинства элементов электрооборудования. Приведены возможные неисправности и методы их устранения, сопрягаемые размеры основных деталей и пределы их допустимого износа, рекомендуемые смазочные материалы, рабочие жидкости, необходимые для технического обслуживания, размеры рекомендуемых и допускаемых к установке шин и дисков. Книга будет полезна как автовладельцам, начинающим и опытным, так и профессионалам авторемонта и диагностики. Автовладелец найдет для себя полезными: инструкцию по эксплуатации, техническое обслуживание (с периодичностью и необходимыми материалами), инструкции по самостоятельному ремонту. Профессионалам будут полезны: операции по сложному ремонту, допустимые размеры деталей, данные по диагностике и подробные схемы электрооборудования. Книги серии «Профессионал» могут выручить Вас в дороге, если Вам придется пользоваться услугами автосервиса, незнакомого или малознакомого с особенностями модели Вашего автомобиля. Отдавая автомобиль на СТО, оставьте нашу книгу в автомобиле, и в случае каких-либо затруднений автомеханик сможет воспользоваться ею, что значительно ускорит ремонт Вашего автомобиля. Качественное изложение материала позволяет сократить время обслуживания автомобиля и сделать его более эффективным. Книга предназначена для автовладельцев, персонала СТО и ремонтных мастерских.

Ищете где купить mitsubishi delica space gear/cargo/ l400 дизель 4м40, 4d56 с 1994г ( 1/7) оптом? На нашем сайте вы можете заказать Легион-Автодата 2705 и другую продукцию Легион-Автодата — только официальные поставки. Стабильное наличие и регулярная доставка до двери вашего автомагазина или автосервиса. Онлайн заказ на сайте или по API. Отправляем транспортными компаниями по России.